您的位置:主页 > 民用级 > 角度位移传感器 >
产品名称:WDD22A648
资料下载:
产品特质:

性能需求:

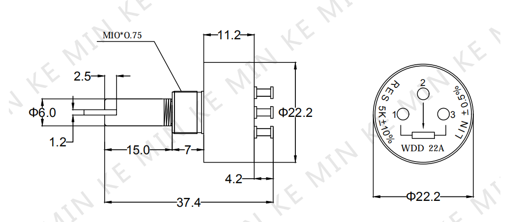
1.阻值范围:1K. 2K 5K 10K 线性精度:±0.5%
2.电气转角:340° 额定功率:0.7W/70°C
3.结缘电阻:>500DC.500V/min 温度范围:-40°-+125°
4.回转寿命:1000万 外壳材质:铝氧化处理(宝蓝色)
5.组织误差:±10% 平滑指数:≤1.5%
6.机械转角:360° 温度系数:±500PPM/°C
7.耐压强度:500V.A.C/min 启动力矩:<0.098N(M)
8应用范围:阀门 操纵杆 纺织机等角度位置的测控

产品图纸:

 

在线询价

用手机扫描二维码关闭