您的位置:主页 > 民用级 > 贵金属电刷 >
产品名称:KV-P013
资料下载:
产品特质:

性能需求:

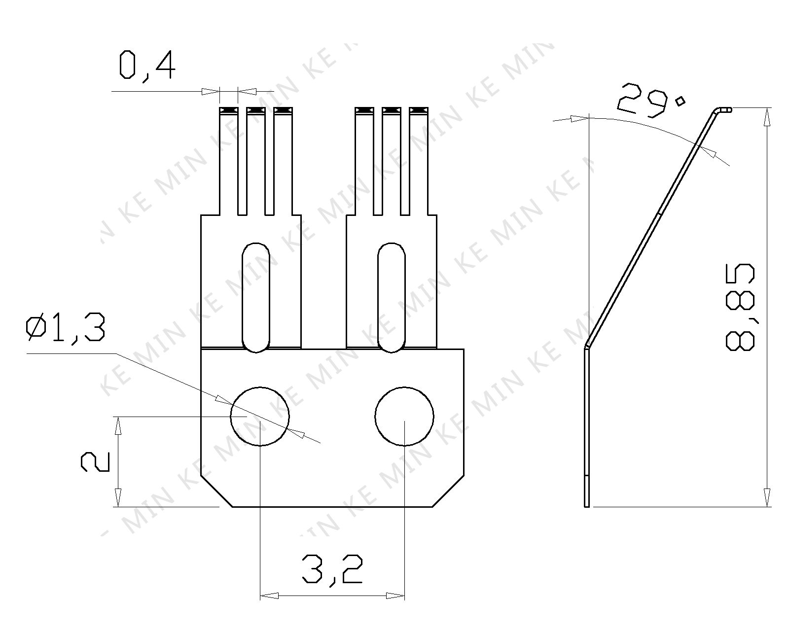
1.基础材料:三元合金1/2 H
2.厚度 :0.08 MM
3.硬度 :HV 330±30
4.同方向每根导线高度差异:0.05 MM
5.未注公差值:±0.05MM 角度±5°
6.工作压力 :40-60g
7.≥500-2000万次

产品图纸:


             

在线询价

用手机扫描二维码关闭