您的位置:主页 > 民用级 > 贵金属电刷 >
产品名称:KV-P053
资料下载:
产品特质:

性能需求:

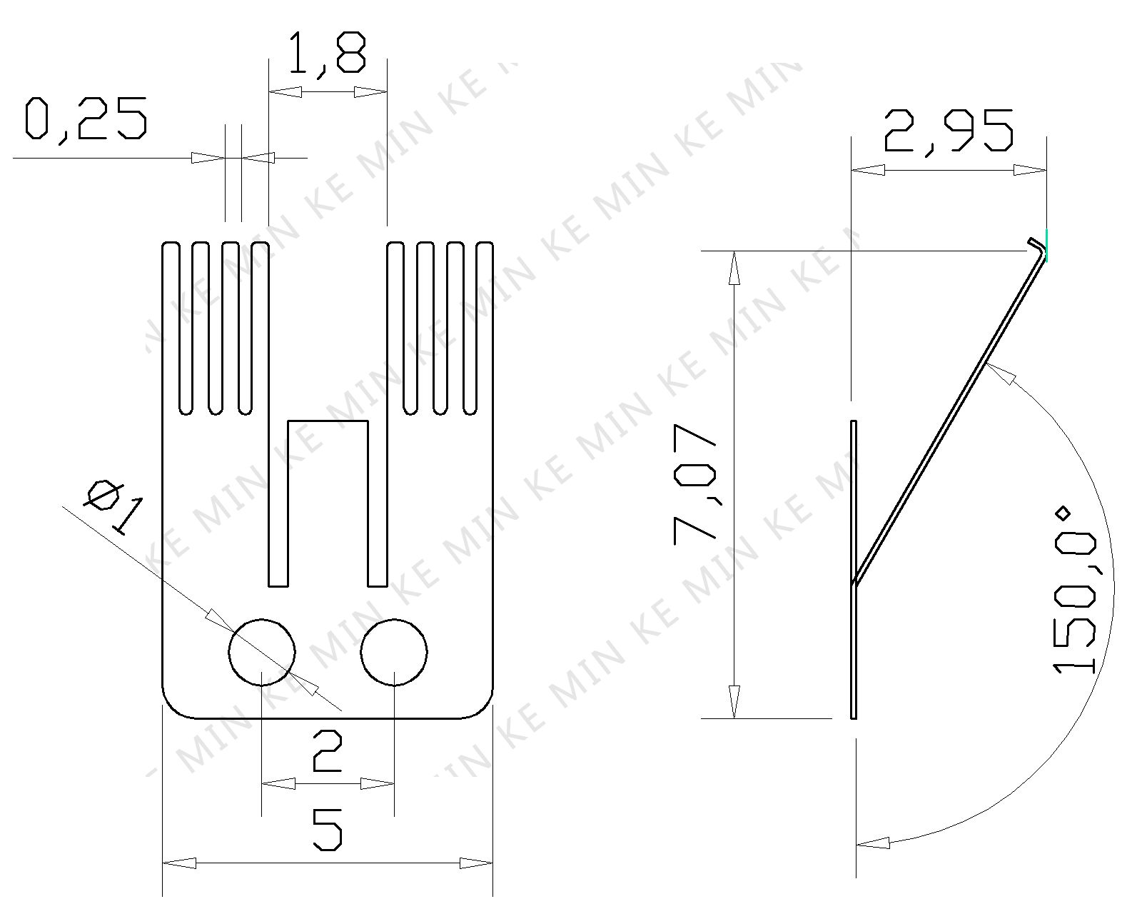
1.基础材料:0.07MM合金材料
2.厚度 :0.08 MM
3.硬度 :HV 330±30
4.同方向每根导线高度差异:0.05 MM
5.工作压力 :40-60g
6.未注公差为:±0.1.角度±1

产品图纸:


         

在线询价

用手机扫描二维码关闭