您的位置:主页 > 军用级 > 贵金属电刷 >

B0005

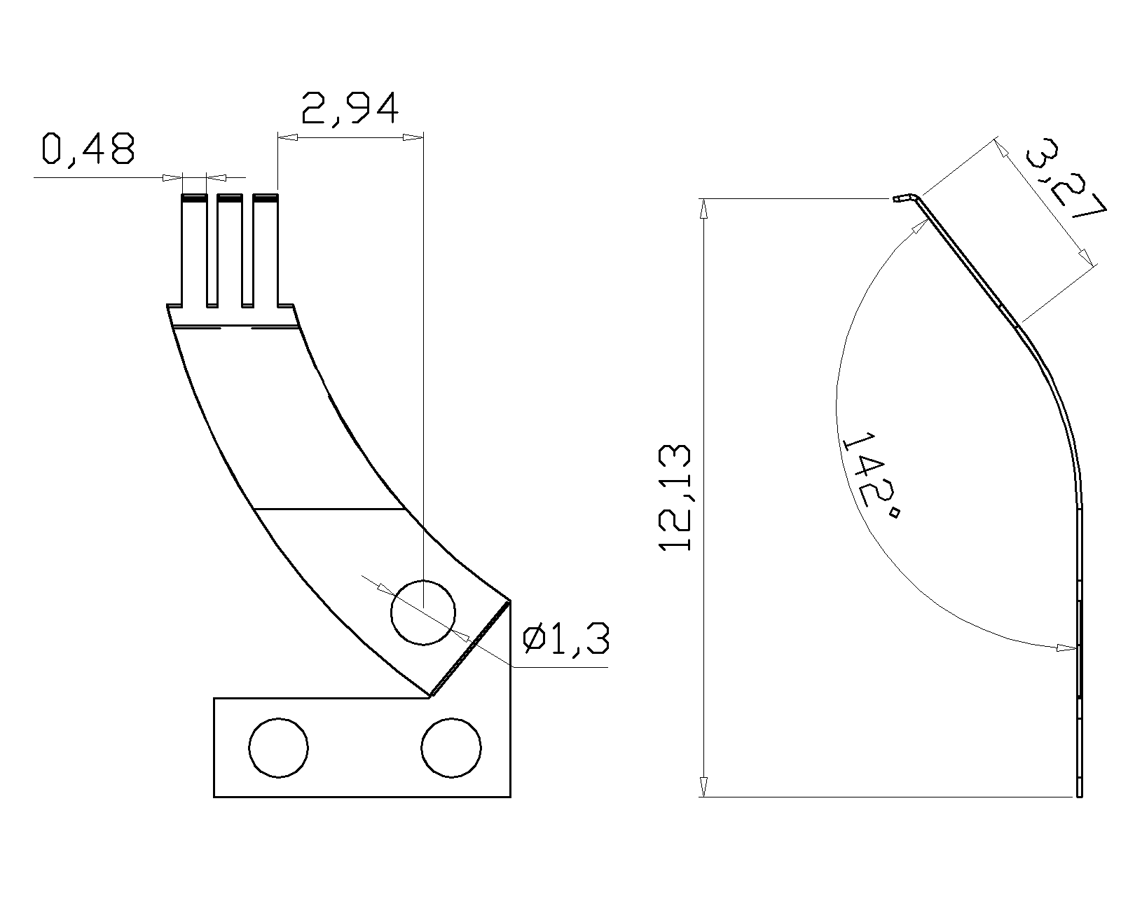
性能需求:
1.基础材料:三元合金1/2 H
2.厚度 :0.08 MM
3.硬度 :HV 330±30
4.同方向每根导线高度差异:0.05 MM
5.工作压力 :40-60g

产品描述:上海科闵电子科技有限公司是国内导电塑料位移传感器主要生产厂家,其中导电塑料电阻片(厚膜电阻),贵金属丝状电刷同时拥有生产能力属国内首家。企业成立于2000年,是一家具有...

  点击下载PDF


上海科闵电子科技有限公司是国内导电塑料位移传感器主要生产厂家,其中导电塑料电阻片(厚膜电阻),贵金属丝状电刷同时拥有生产能力属国内首家。企业成立于2000年,是一家具有青春活力的实体型高科技企业。

引领和推动技术革命为企业使命,以高新技术推动客户成功为企业宗旨,先后引进了德国,日本等先进技术不断深入并开发了直线位移传感器,角度位移传感器,高寿命电阻基片,贵金属丝状电刷等成熟产品,企业年生产能力1亿多支。用户除了国内的知名汽车主机厂,设备厂以外,部分产品还远销欧洲,北美等国外市场,产品在国内外享有良好声誉。

科闵电子的产品广泛应用于汽车,工程机械,航空航天以及注塑机,木工机械,印刷机,机器人,工程检测,液压,气动等需要精密测量控制的场合。并提供满足客户个性话需求的产品设计以及新品开发,无论是外形还是性能都可以满足客户的不同需求并竭诚为广大中外客商服务。

立即咨询:18939920533

用手机扫描二维码关闭